- 美测高压夹装系列液体涡轮流量计LWGY-HX
详细信息
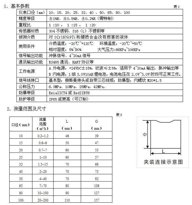
品牌:美测 型号:LWGY-HX 加工定制:是 适用介质:. 测量范围:0.2-1.2 m3/h 精度等级:±1 连接方式:. LWGY-HX高压夹装系列液体涡轮流量计
一、概述
LWGY-HX系列高压夹装法兰涡轮流量计,在普通液体涡轮流量计的基础上进行技术更新,使产品能适用于高压情况下流量测量。产品广泛用于工矿、石油、化工、冶金、电厂等行业。
LWGY系列涡轮流量计是吸取了国内外流量仪表先进技术经过优化设计,具有结构简单、轻巧、精度高、复现性好、反应灵敏,安装维护使用方便等特点的新一代涡轮流量计。若与具有特殊功能的显示仪表配套,还可以进行定量控制、超量报警等,是流量计量和节能的理想仪表。
二、工作原理
当被测流体流过传感器时,在流体作用下,叶轮受力旋转,其转速与管道平均流速成正比,叶轮的转动周期地改变磁电转换器的磁阻值。检测线圈中的磁通随之发生周期性变化,产生周期性的感应电势,即电脉冲信号,经放大器放大后,送至显示仪表显示。
三、产品特点
●适用高压测量,仪表表体上不必开孔,易制成高压型仪表;
●高精确度:一般可达±1%R、±0.5%R,高精度型可达±0.2%R;
●重复性好:短期重复性可达0.05%~0.2%,正是同于具有良好的重复性,如经常校准或在线校准可得到极高的精确度,在贸易结算中是优先选用的流量计;
●输出脉冲频率信号:适于总量计量及计算机连接,无零点漂移,抗干扰能力强;
●可获得很高的频率信号(3~4KHz),信号分辨力强;
●范围度宽,中大口径可达1:20,小口径为1:10; -
供应商的其他相关信息
查看更多
-
产品搜索
-
公司相册





